
Miniature Bearings Australia
KM100M-040-5L20 - Datasheet
MBA
Category Information
Knobs - Lobe - Seven Lobe - Male - StandardStandard Male Seven Lobe Lobe Knobs. Also see star knobs
- An expanded range may be available on special order. Please enquire.
Product Data
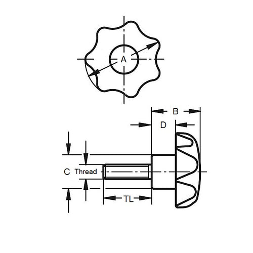
- Thread Size : M10 (10x1.5mm)
- Head Diameter (A)
40
mm
(Equiv. 1.575 in.) - Thread Length
20
mm
(Equiv. 0.787 in.) - Colour Black
- Hub Diameter (C) 21.00 mm
- Hub Length (D) 14.000 mm
- Knob Height (B) 28.00 mm
- Material Steel
Product Compliance and Data
Additional Resources
Cross References
- Misumi C-NLZTM10-20
- CNLZTM1020


