
Miniature Bearings Australia
GHK0800-1000-100 - Datasheet
ExaktKey
Category Information
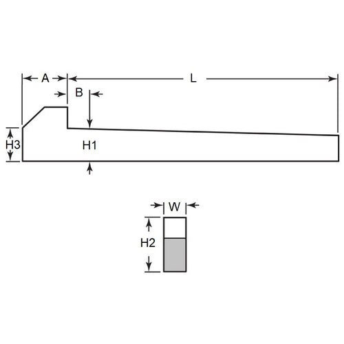
Keys - Gib Head - SteelSteel Gib Head Keys. Tapered 3.000 mm per 300 mm (1:100)
- An expanded range may be available on special order. Please enquire.
Product Data
- Nominal Key Height (H1)
:
8.000
mm
(Equiv. 0.315 in.) - Width (W)
10.000
mm
(Equiv. 0.394 in.) - Length (L)
100.0
mm
(Equiv. 3.937 in.) - Head Height (h2) Approx. 12.0 mm
- Taper 1:100
- Standard DIN6887
- Head Length (Approx) (A) 10.000 mm
- Material Cold Finished Steel
Product Compliance and Data
Additional Resources
Cross References
- GHK10-100
- GHK10100


