
Miniature Bearings Australia
GHK2223-2223-178 - Datasheet
ExaktKey
Category Information
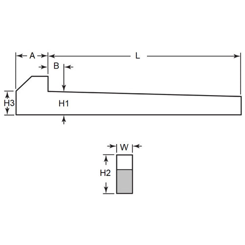
Keys - Gib Head - SteelSteel Gib Head Keys. Tapered 3.000 mm per 300 mm (1:100)
- An expanded range may be available on special order. Please enquire.
Product Data
- Nominal Key Height (H1)
:
22.225
mm
(Equiv. 0.875 in.) - Width (W)
22.225
mm
(Equiv. 0.875 in.) - Length (L)
177.8
mm
(Equiv. 7 in.) - Head Height (h2) Approx. 33.2 mm
- Approx (B) 15.24
- Approx (H3) 23.02
- Taper 1:100
- Standard BS46
- Material Cold Finished Steel
Product Compliance and Data
Additional Resources
View full details


