
Miniature Bearings Australia
GHK1905-1905-140 - Datasheet
ExaktKey
Category Information
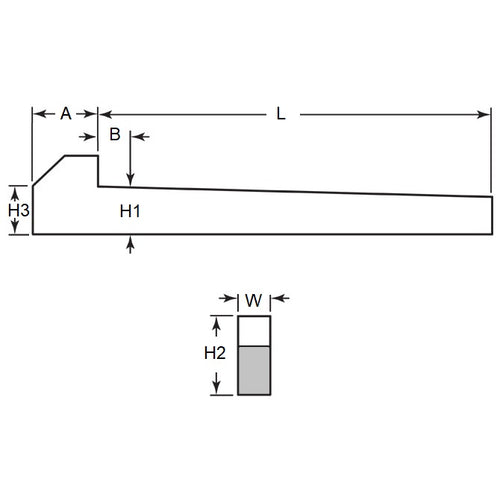
Keys - Gib Head - SteelSteel Gib Head Keys. Tapered 3.000 mm per 300 mm (1:100)
- An expanded range may be available on special order. Please enquire.
Product Data
- Nominal Key Height (H1)
:
19.050
mm
(Equiv. 0.75 in.) - Width (W)
19.050
mm
(Equiv. 0.75 in.) - Length (L)
139.7
mm
(Equiv. 5.5 in.) - Head Height (h2) Approx. 28.5 mm
- Approx (B) 12.70
- Approx (H3) 19.84
- Taper 1:100
- Standard BS46
- Material Cold Finished Steel
Product Compliance and Data
Additional Resources
Cross References
- 68471A363


