
Miniature Bearings Australia
CL-050G-15 - Datasheet
MBA
Category Information
Belts - Timing Clamp - Heavy DutyHeavy Duty Timing Clamp Belts. Used for locking the ends of timing belt lengths used in linear applications
- Timing belt clamps are used to hold the ends of timing belts secure when used in reciprocating applications.
- Non-joined timing belts, also known as continuous or endless timing belts, are used in applications where a seamless, uninterrupted belt is required to provide precise, reliable synchronization over a long span.
- These belts are ideal for systems that demand consistent timing and minimal maintenance. Backorders or orders for previously listed items in the category may still be possible - please enquire.
- Suits single sided belts only
- Aluminium
- Screws, hex nuts and washers included
Product Data
Deleted Item. Available while stocks last.
Please contact us first if you wish to use this item in a new design so we can check whether production can be resumed.
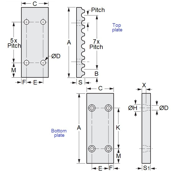
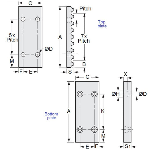
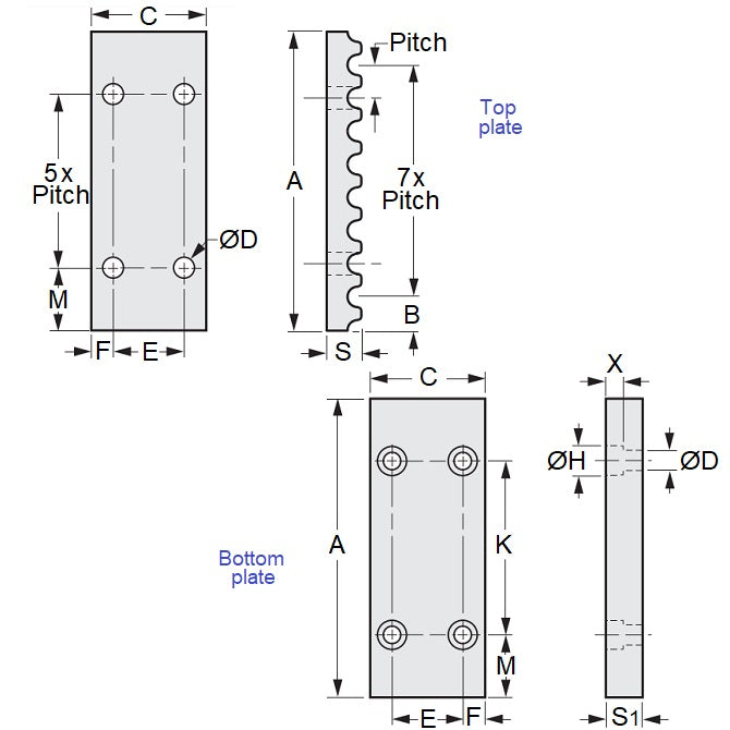
- Suitable Pitch : GT 5mm
- Suits Belt Width
15.00
mm
(Equiv. 0.591 in.) - A
45.00
mm
(Equiv. 1.772 in.) - B 5.00 mm
- C 37.00 mm
- D 5.50 mm
- E 22.00 mm
- Min Temperature 0.07 g
- Max Temperature 7.50 mm
- M 10.00 mm
- S 8.00 mm
- H - K - X - S1 10 - 25 - 5 - 10 mm
- Material Carbon Steel
Product Compliance and Data
Additional Resources
Cross References
- A16A55M15


