
Miniature Bearings Australia
G030B-030-M1-060-110F-CGK - Datasheet
MBA
Category Information
Gears - Spur - Hubbed - Module 1 - SteelSteel Module 1 Hubbed Spur Gears. PCD in mm = No. of Teeth. 20 Degree Pressure Angle
- There are more items available in this range than currently listed. Please enquire if you have special requirements. Expanded range includes hardened gears, stainless steel, antibacklash, and special bore sizes.
- Be sure to match the pitch type and tooth angle when selecting spur gears.
- An expanded range may be available on special order. Please enquire.
- The diameter increases by 1mm per tooth
- Module 1. Approximately 3.14mm between the teeth.
Product Data
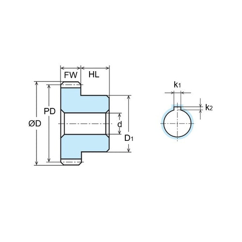
- Number of Teeth : 30
- Pitch Circle Diameter (PD)
30.00
mm
(Equiv. 1.181 in.) - Bore (d)
11.000
mm
H7
(Equiv. 0.433 in.) - Face Width (FW) 6.00 mm
- Type Hubbed
- Hub Diameter (D1) 25.00
- Hub Projection (HL) 8.00
- Locking Method Keyway and Set Screw
- Hardness Unhardened
- Material Carbon Steel S45C
Product Compliance and Data
Additional Resources
Cross References
- SSY130N11


