
Miniature Bearings Australia
DJK-067 - Datasheet
MBA
Category Information
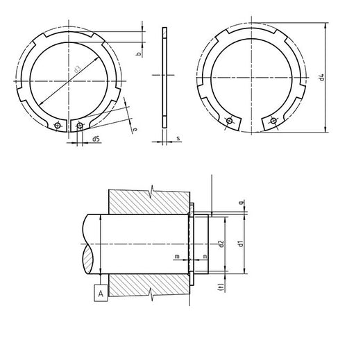
Retaining Rings - Internal - Circlips - TabbedTabbed Circlips Internal Retaining Rings. DIN984 / D2000 / Seeger JK. Retaining rings. Snap Rings (USA).
- An expanded range may be available on special order. Please enquire.
- Internal tabs are concentrically positioned for a concealed assembly.
- Tabs act as spacers for securing machine components.
Product Data
- Housing Bore (B)
:
67.00
mm
(Equiv. 2.638 in.) - Clip Thickness (T)
2.50
mm
+ 0.00 / - 0.30
(Equiv. 0.098 in.) - Groove Dia. (Dg)
70.30
mm
+ 0.00 / - 0.07
(Equiv. 2.768 in.) - Approx. Loose Circlip OD (Dr) 71.04 - 72.60 mm
- Radial Wall (S) Approx. 6.00 mm
- Groove Width (W) 2.65 mm
- Tool PRS-I023
- Material Carbon Spring Steel
Product Compliance and Data
Additional Resources
Cross References
- 2000-067
- 2000067
- D2000067
- D2000-067


