
Miniature Bearings Australia
DJK-050 - Datasheet
MBA
Category Information
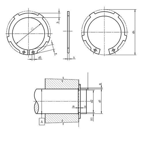
Retaining Rings - Internal - Circlips - TabbedTabbed Circlips Internal Retaining Rings. DIN984 / D2000 / Seeger JK. Retaining rings. Snap Rings (USA).
- An expanded range may be available on special order. Please enquire.
- Internal tabs are concentrically positioned for a concealed assembly.
- Tabs act as spacers for securing machine components.
Product Data
- Housing Bore (B)
:
50.00
mm
(Equiv. 1.969 in.) - Clip Thickness (T)
2.00
mm
+ 0.00 / - 0.30
(Equiv. 0.079 in.) - Groove Dia. (Dg)
53.30
mm
+ 0.00 / - 0.07
(Equiv. 2.098 in.) - Approx. Loose Circlip OD (Dr) 53.76 - 55.30 mm
- Radial Wall (S) Approx. 4.70 mm
- Groove Width (W) 2.15 mm
- Tool PRS-I023
- Material Carbon Spring Steel
Product Compliance and Data
Additional Resources
Cross References
- 2000050
- 2000-050
- DJK050
- DJK-050
- D2000-050
- D2000050


