
Miniature Bearings Australia
DJK-020 - Datasheet
MBA
Category Information
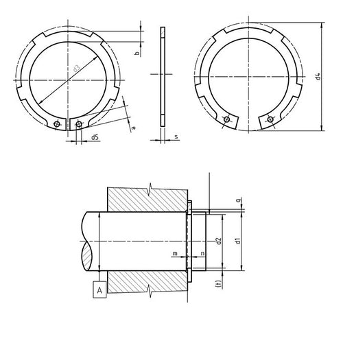
Retaining Rings - Internal - Circlips - TabbedTabbed Circlips Internal Retaining Rings. DIN984 / D2000 / Seeger JK. Retaining rings. Snap Rings (USA).
- An expanded range may be available on special order. Please enquire.
- Internal tabs are concentrically positioned for a concealed assembly.
- Tabs act as spacers for securing machine components.
Product Data
- Housing Bore (B)
:
20.00
mm
(Equiv. 0.787 in.) - Clip Thickness (T)
1.00
mm
+ 0.00 / - 0.15
(Equiv. 0.039 in.) - Groove Dia. (Dg)
21.15
mm
+ 0.00 / - 0.06
(Equiv. 0.833 in.) - Approx. Loose Circlip OD (Dr) 21.37 mm
- Radial Wall (S) Approx. 2.40 mm
- Groove Width (W) 1.10 mm
- Tool PRS-I018
- Material Carbon Spring Steel
Product Compliance and Data
Additional Resources
Cross References
- Seeger JK20-BLS
- Seeger JK20X1
- 2000-020
- 2000020
- JK20BLS
- D2000-020
- D2000020


