
Miniature Bearings Australia
DJK-019 - Datasheet
MBA
Category Information
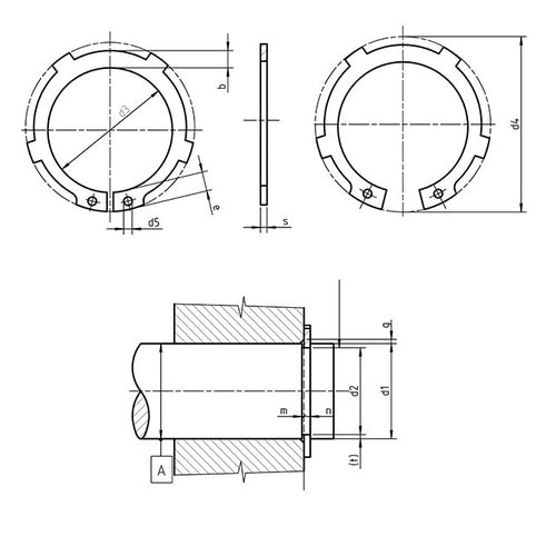
Retaining Rings - Internal - Circlips - TabbedTabbed Circlips Internal Retaining Rings. DIN984 / D2000 / Seeger JK. Retaining rings. Snap Rings (USA).
- An expanded range may be available on special order. Please enquire.
- Internal tabs are concentrically positioned for a concealed assembly.
- Tabs act as spacers for securing machine components.
Product Data
- Housing Bore (B)
:
19.00
mm
(Equiv. 0.748 in.) - Clip Thickness (T)
1.00
mm
+ 0.00 / - 0.15
(Equiv. 0.039 in.) - Groove Dia. (Dg)
20.15
mm
+ 0.00 / - 0.06
(Equiv. 0.793 in.) - Approx. Loose Circlip OD (Dr) 20.37 - 20.92 mm
- Radial Wall (S) Approx. 2.30 mm
- Groove Width (W) 1.10 mm
- Tool PRS-I018
- Material Carbon Spring Steel
Product Compliance and Data
Additional Resources
Cross References
- 2000-019
- 2000019
- D2000-019
- D2000019


