
Miniature Bearings Australia
DJK-110 - Datasheet
MBA
Category Information
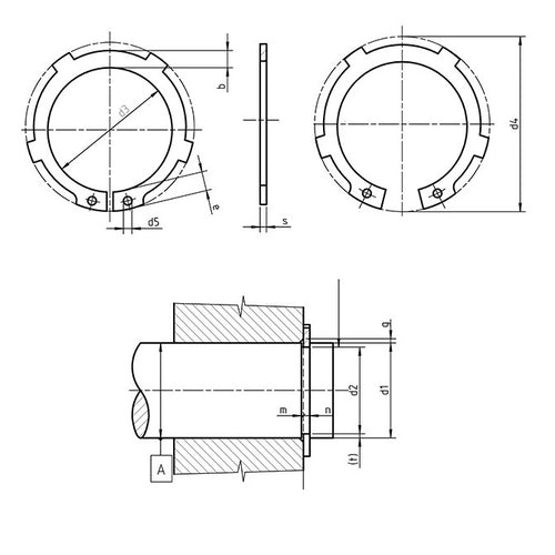
Retaining Rings - Internal - Circlips - TabbedTabbed Circlips Internal Retaining Rings. DIN984 / D2000 / Seeger JK. Retaining rings. Snap Rings (USA).
- An expanded range may be available on special order. Please enquire.
- Internal tabs are concentrically positioned for a concealed assembly.
- Tabs act as spacers for securing machine components.
Product Data
- Housing Bore (B)
:
110.00
mm
(Equiv. 4.331 in.) - Clip Thickness (T)
3.00
mm
+ 0.00 / - 0.30
(Equiv. 0.118 in.) - Groove Dia. (Dg)
103.80
mm
+ 0.00 / - 0.08
(Equiv. 4.087 in.) - Approx. Loose Circlip OD (Dr) 116.04 mm
- Radial Wall (S) Approx. 9.00 mm
- Groove Width (W) 3.15 mm
- Tool PRS-I032
- Material Carbon Spring Steel
Product Compliance and Data
Additional Resources
Cross References
- Seeger JK110-WAS
- Seeger JK110X4
- 2000-110
- 2000110
- JK110WAS
- D2000-110
- D2000110


