
Miniature Bearings Australia
DAK-062 - Datasheet
MBA
Category Information
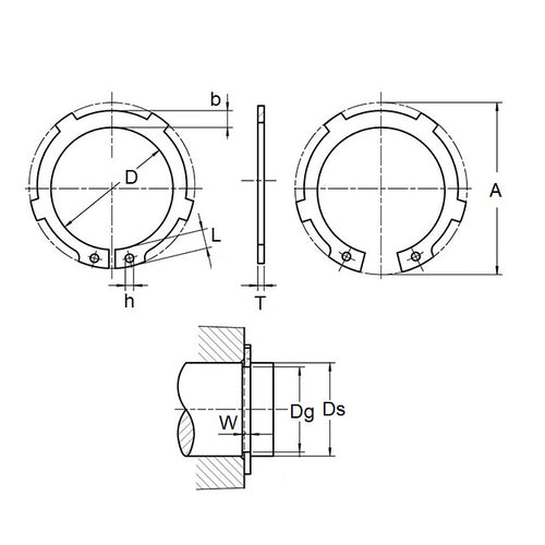
Retaining Rings - External - Circlips - TabbedTabbed Circlips External Retaining Rings. DIN 983 / D2100 / AK. Retaining rings. Snap Rings (USA).
- An expanded range may be available on special order. Please enquire.
- External tabs are concentrically positioned for positioning in a concealed assembly.
- Tabs act as spacers for securing machine components.
- Conforming to DIN 983.
Product Data
- Shaft Diameter (Ds)
:
62.00
mm
(Equiv. 2.441 in.) - Clip Thickness (T)
2.00
mm
+ 0.00 / - 0.30
(Equiv. 0.079 in.) - Groove Dia. (Dg)
59.00
mm
+ 0.00 / - 0.07
(Equiv. 2.323 in.) - Approx. Loose Circlip ID (A) 56.70 - 58.26 mm
- Groove Width (W) 2.15 mm
- Tool PRS-E023
- Material Carbon Spring Steel
Product Compliance and Data
Additional Resources
View full details


