
Miniature Bearings Australia
GE-00400-01200-W300 - Datasheet
Iglidur
Category Information
Bushings - Spherical - PlasticPlastic Spherical Bushings. Plastic spherical plain bearings. Also known as ball bushings.
- Self-aligning bearing that has spherical inner and outer rings, allowing it to handle both large radial and axial loads simultaneously.
- Used in applications with slow swinging movements or where misalignment must be compensated for, such as in control linkages, suspension components, and industrial machinery.
- Designed to reduce vibration and noise by allowing articulating motion in a fixed directional load.
- Ball Material W300. Housing Iglidur G.
- Maintenance Free. Self lubricating.
- Compensates for axial loads and misalignment.
- Corrosion resistant.
- High vibration dampening capacity.
Product Data
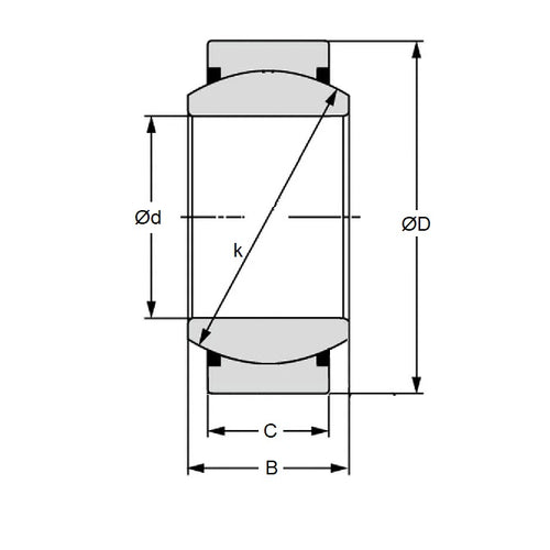
- Bore (d1)
:
4.000
mm
+ 0.020 / + 0.068
(Equiv. 0.157 in.) - OD (d2)
12.000
mm
(Equiv. 0.472 in.) - Width (B)
5.000
mm
(Equiv. 0.197 in.) - Outer Width (C) 3.00 mm
- Max Pivot angle 37 Deg.
- Max Torque 2.0 Nm
- Max Static Comp. str. (Radial) 600 N
- Max Static Comp. str. (Axial) 100 N
- Material W300 Plastic
Product Compliance and Data
Additional Resources
Cross References
- Igus EGLM-04
- EGLM04


