
Miniature Bearings Australia
BP0160-0180-0120-DU - Datasheet
MBA
Category Information
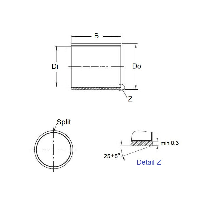
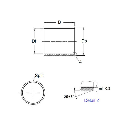
Bushes - Unflanged - Split - Steel - DUDU Steel Split Unflanged Bushes. Composite bearing material conisting of 3 bonded layers; Steel backing bonded with porous sintered bronze interlayer which is impregnated and overlaid with polytetrafluroethylene (PTFE). Lead free.
- An expanded range may be available on special order. Please enquire.
- Operating Temperature -200o to 280o Celsius. Maximum load 250N/mm2.
- Requires No lubrication, provides maintenance free operation. Exhibits low wear rate, Seizure resistant.
- High Static and Dynamic Load capacity, Good frictional properties with negligible stick-slip. Resists Solvents, Compact and light.
- No water Absorption, Electrically conductive and shows no electrostatic effects, Good embedability and is tolerant of dusty environments.
- Good embedability and is tolerant of dusty environments. Speed Limit in oil 5 metres surface speed per second.
Product Data
- Nominal Inside Diameter (d)
:
16.000
mm
- 0.000 / - 0.018
(Equiv. 0.63 in.) - Nominal Outside Diameter (D)
18.000
mm
+ 0.065 / - 0.000
(Equiv. 0.709 in.) - Length (s)
12.000
mm
+ 0.00 / - 0.30
(Equiv. 0.472 in.)
Product Compliance and Data
Additional Resources
- DU Bush Material Information
- General Bushes Catalogue
- Sintered Bronze Products Catalogue
- Solid Bronze Bushes catalogue
Cross References
- Glacier MB1612DU
- Glacier SF-1612-1W
- RBC-720
- RBC720
- DU1612
- DU-1612
- SF16121W



