
Miniature Bearings Australia
BP0200-0230-0300-PZ - Datasheet
Iglidur
Category Information
Bushes - Unflanged - Plastic - Iglidur ZIglidur Z Plastic Unflanged Bushes. High temperature. High thermal resistance. Extreme load. High surface speed.
- An expanded range may be available on special order. Please enquire.
- Specific Gravity 1.40 g/cm3.
- Operating Temp 310 C short term / 250 C long term.
- Tensile Strength at 20 Deg C = 95 Mpa.
- Hardness 81 Shore D (DIN53505).
- Bushing bore tolerance shown is after a H7 press fit.
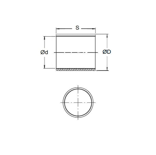
Product Data
- Nominal Inside Diameter (d)
:
20.000
mm
+ 0.020 / + 0.104
(Equiv. 0.787 in.) - Nominal Outside Diameter (D)
23.000
mm
(Equiv. 0.906 in.) - Length (s)
30.000
mm
+ 0.000 / - 0.330
(Equiv. 1.181 in.) - Material Iglidur Z
Product Compliance and Data
Additional Resources
- DU Bush Material Information
- General Bushes Catalogue
- Sintered Bronze Products Catalogue
- Solid Bronze Bushes catalogue
Cross References
- Igus ZSM-2023-30
- ZSM202330


