
Miniature Bearings Australia
BF0508-0556-0508-PZ - Datasheet
Iglidur
Category Information
Bushes - Flanged - Plastic - Iglidur ZIglidur Z Plastic Flanged Bushes. High temperature. High thermal resistance. Extreme load. High surface speed.
- An expanded range may be available on special order. Please enquire.
- Specific Gravity 1.40 g/cm3.
- Operating Temp 310 C short term / 250 C long term.
- Tensile Strength at 20 Deg C = 95 Mpa.
- Hardness 81 Shore D (DIN53505).
- Bushing bore tolerance shown is after a H7 press fit.
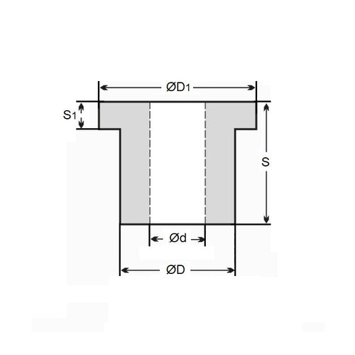
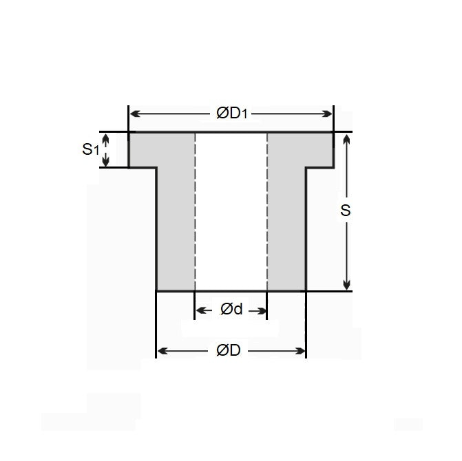
Product Data
- Nominal Inside Diameter (d)
:
50.800
mm
+ 0.025 / + 0.125
(Equiv. 2 in.) - Nominal Outside Diameter (D)
55.563
mm
(Equiv. 2.188 in.) - Length (s)
50.800
mm
+ 0.000 / - 0.460
(Equiv. 2 in.) - Flange OD (D1) 66.68 mm
- Flange Thickness (s1) 2.36 mm
- Material Iglidur Z
Product Compliance and Data
Additional Resources
- DU Bush Material Information
- General Bushes Catalogue
- Sintered Bronze Products Catalogue
- Solid Bronze Bushes catalogue
Cross References
- Igus ZFI-3235-32
- ZFI323532


