
Miniature Bearings Australia
BP0250-0280-0300-PX - Datasheet
Iglidur
Category Information
Bushes - Unflanged - Plastic - Iglidur XIglidur X Plastic Unflanged Bushes. Very high temperature. Extreme chemical resistance. High compressive strength. Low water absorption.
- An expanded range may be available on special order. Please enquire.
- Specific Gravity 1.44 g/cm3.
- Operating Temp 315 C short term / 250 C long term.
- Tensile Strength at 20 Deg C = 170 Mpa.
- Hardness 85 Shore D (DIN53505).
- Bushing bore tolerance shown is after a H7 press fit.
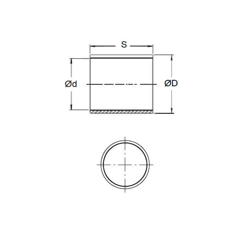
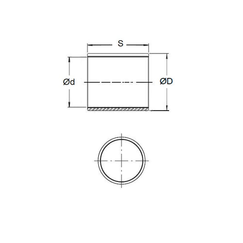
Product Data
- Nominal Inside Diameter (d)
:
25.000
mm
+ 0.020 / + 0.104
(Equiv. 0.984 in.) - Nominal Outside Diameter (D)
28.000
mm
(Equiv. 1.102 in.) - Length (s)
30.000
mm
+ 0.000 / - 0.330
(Equiv. 1.181 in.) - Material Iglidur X
Product Compliance and Data
Additional Resources
- DU Bush Material Information
- General Bushes Catalogue
- Sintered Bronze Products Catalogue
- Solid Bronze Bushes catalogue
Cross References
- Igus XSM-2528-30
- XSM252830


