Miniature Bearings Australia - MBA Minibearings
Miniature Bearings Australia

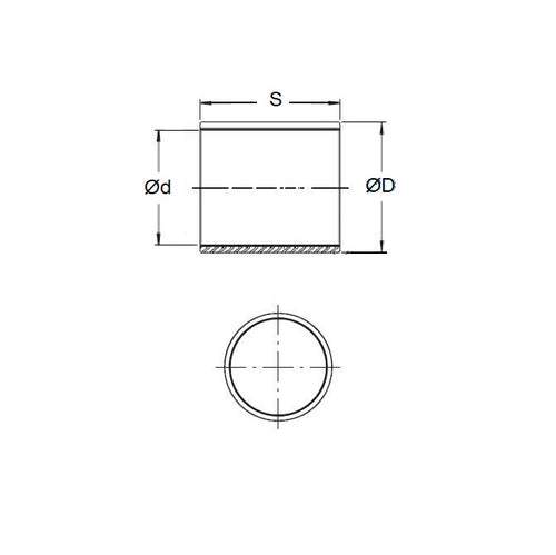
BP0250-0280-0200-PX - Datasheet

Iglidur

Category Information

Bushes - Unflanged - Plastic - Iglidur X

Iglidur X Plastic Unflanged Bushes. Very high temperature. Extreme chemical resistance. High compressive strength. Low water absorption.

  • An expanded range may be available on special order. Please enquire.
  • Specific Gravity 1.44 g/cm3.
  • Operating Temp 315 C short term / 250 C long term.
  • Tensile Strength at 20 Deg C = 170 Mpa.
  • Hardness 85 Shore D (DIN53505).
  • Bushing bore tolerance shown is after a H7 press fit.

Product Data

  • Nominal Inside Diameter (d) : 25.000 mm + 0.020 / + 0.104
    (Equiv. 0.984 in.)
  • Nominal Outside Diameter (D) 28.000 mm
    (Equiv. 1.102 in.)
  • Length (s) 20.000 mm + 0.000 / - 0.330
    (Equiv. 0.787 in.)
  • Material Iglidur X
Country of Origin: DE

Product Compliance and Data

Additional Resources

    Cross References

    • Igus XSM-2528-20
    • XSM252820
    View full details