
Miniature Bearings Australia
BP0200-0230-0200-PQ - Datasheet
Iglidur
Category Information
Bushes - Unflanged - Plastic - Iglidur QIglidur Q Plastic Unflanged Bushes. Excellent wear resistance under high load. Resistant to dirt.
- An expanded range may be available on special order. Please enquire.
- Specific Gravity 1.40 g/cm3.
- Operating Temp 155 C short term / 135 C long term.
- Tensile Strength at 20 Deg C = 120 Mpa.
- Hardness 83 Shore D (DIN53505).
- Bushing bore tolerance shown is after a H7 press fit.
Product Data
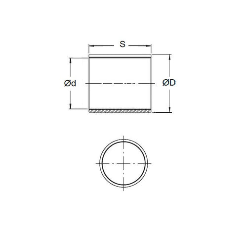
- Nominal Inside Diameter (d)
:
20.000
mm
+ 0.040 / + 0.124
(Equiv. 0.787 in.) - Nominal Outside Diameter (D)
23.000
mm
(Equiv. 0.906 in.) - Length (s)
20.000
mm
+ 0.000 / - 0.330
(Equiv. 0.787 in.) - Material Iglidur Q
Product Compliance and Data
Additional Resources
- DU Bush Material Information
- General Bushes Catalogue
- Sintered Bronze Products Catalogue
- Solid Bronze Bushes catalogue
Cross References
- Igus QSM-2023-20
- QSM202320


