
Miniature Bearings Australia
BP0750-0800-0600-PH3 - Datasheet
Iglidur
Category Information
Bushes - Unflanged - Plastic - Iglidur H370Iglidur H370 Plastic Unflanged Bushes. Underwater. High Temp. Chemical Resistant. High mechanical loading and wear resistance.
- An expanded range may be available on special order. Please enquire.
- Specific Gravity 1.60 g/cm3.
- Operating Temp 240 C short term / 200 C long term.
- Tensile Strength at 20 Deg C = 135 Mpa.
- Hardness 82 Shore D (DIN53505).
- Bushing bore tolerance shown is after a H7 press fit.
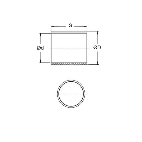
Product Data
- Nominal Inside Diameter (d)
:
75.000
mm
+ 0.030 / + 0.150
(Equiv. 2.953 in.) - Nominal Outside Diameter (D)
80.000
mm
(Equiv. 3.15 in.) - Length (s)
60.000
mm
+ 0.000 / - 0.460
(Equiv. 2.362 in.) - Material Iglidur H370
Product Compliance and Data
Additional Resources
- DU Bush Material Information
- General Bushes Catalogue
- Sintered Bronze Products Catalogue
- Solid Bronze Bushes catalogue
Cross References
- Igus H370SM-7580-60
- H370SM758060


