
Miniature Bearings Australia
BF0318-0357-0318-PH3 - Datasheet
Iglidur
Category Information
Bushes - Flanged - Plastic - Iglidur H370Iglidur H370 Plastic Flanged Bushes. Underwater. High Temp. Chemical Resistant. High mechanical loading and wear resistance.
- An expanded range may be available on special order. Please enquire.
- Specific Gravity 1.60 g/cm3.
- Operating Temp 240 C short term / 200 C long term.
- Tensile Strength at 20 Deg C = 135 Mpa.
- Hardness 82 Shore D (DIN53505).
- Bushing bore tolerance shown is after a H7 press fit.
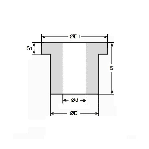
Product Data
- Nominal Inside Diameter (d)
:
31.750
mm
+ 0.025 / + 0.125
(Equiv. 1.25 in.) - Nominal Outside Diameter (D)
35.719
mm
(Equiv. 1.406 in.) - Length (s)
31.750
mm
+ 0.000 / - 0.390
(Equiv. 1.25 in.) - Flange OD (D1) 42.85 mm
- Flange Thickness (s1) 1.98 mm
- Material Iglidur H370
Product Compliance and Data
Additional Resources
- DU Bush Material Information
- General Bushes Catalogue
- Sintered Bronze Products Catalogue
- Solid Bronze Bushes catalogue
Cross References
- Igus H370FI-2022-20
- Igus H370FI-3236-32
- H370FI202220
- H370FI323632


