
Miniature Bearings Australia
BF0100-0120-0100-PH3 - Datasheet
Iglidur
Category Information
Bushes - Flanged - Plastic - Iglidur H370Iglidur H370 Plastic Flanged Bushes. Underwater. High Temp. Chemical Resistant. High mechanical loading and wear resistance.
- An expanded range may be available on special order. Please enquire.
- Specific Gravity 1.60 g/cm3.
- Operating Temp 240 C short term / 200 C long term.
- Tensile Strength at 20 Deg C = 135 Mpa.
- Hardness 82 Shore D (DIN53505).
- Bushing bore tolerance shown is after a H7 press fit.
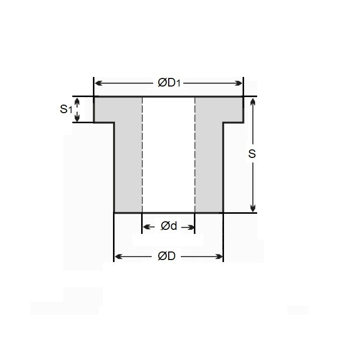
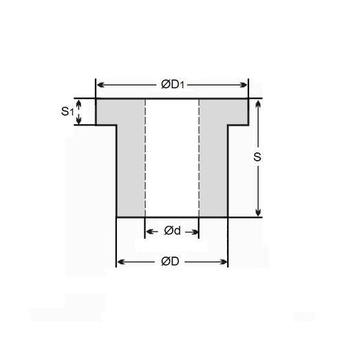
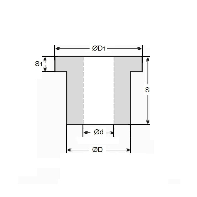
Product Data
- Nominal Inside Diameter (d)
:
10.000
mm
+ 0.013 / + 0.071
(Equiv. 0.394 in.) - Nominal Outside Diameter (D)
12.000
mm
(Equiv. 0.472 in.) - Length (s)
10.000
mm
+ 0.000 / - 0.220
(Equiv. 0.394 in.) - Flange OD (D1) 18.00 mm
- Flange Thickness (s1) 1.00 mm
- Material Iglidur H370
Product Compliance and Data
Additional Resources
- DU Bush Material Information
- General Bushes Catalogue
- Sintered Bronze Products Catalogue
- Solid Bronze Bushes catalogue
Cross References
- Igus H370FM-1012-10
- H370FM101210


