
Miniature Bearings Australia
BP0250-0280-0200-PH - Datasheet
Iglidur
Category Information
Bushes - Unflanged - Plastic - Iglidur HIglidur H Plastic Unflanged Bushes. Underwater performance. High Temp. Chemical Resistance.
- An expanded range may be available on special order. Please enquire.
- Specific Gravity 1.64 g/cm3.
- Operating Temp 240 C short term / 200 C long term.
- Tensile Strength at 20 Deg C = 175 Mpa.
- Hardness 87 Shore D (DIN53505).
- Bushing bore tolerance shown is after a H7 press fit.
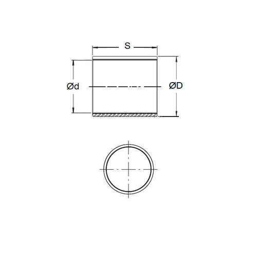
Product Data
- Nominal Inside Diameter (d)
:
25.000
mm
+ 0.020 / + 0.104
(Equiv. 0.984 in.) - Nominal Outside Diameter (D)
28.000
mm
(Equiv. 1.102 in.) - Length (s)
20.000
mm
+ 0.000 / - 0.330
(Equiv. 0.787 in.) - Material Iglidur H
Product Compliance and Data
Additional Resources
- DU Bush Material Information
- General Bushes Catalogue
- Sintered Bronze Products Catalogue
- Solid Bronze Bushes catalogue
Cross References
- Igus HSM-2528-20
- HSM252820


