
Miniature Bearings Australia
BF0700-0750-0500-PH - Datasheet
Iglidur
Category Information
Bushes - Flanged - Plastic - Iglidur HIglidur H Plastic Flanged Bushes. Underwater performance. High Temp. Chemical Resistance.
- An expanded range may be available on special order. Please enquire.
- Specific Gravity 1.64 g/cm3.
- Operating Temp 240 C short term / 200 C long term.
- Tensile Strength at 20 Deg C = 175 Mpa.
- Hardness 87 Shore D (DIN53505).
- Bushing bore tolerance shown is after a H7 press fit.
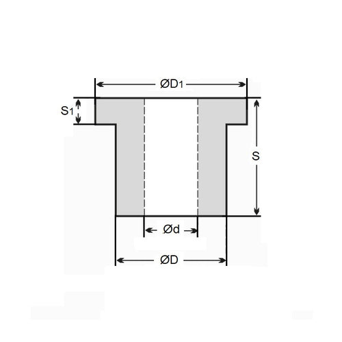
Product Data
- Nominal Inside Diameter (d)
:
70.000
mm
+ 0.030 / + 0.150
(Equiv. 2.756 in.) - Nominal Outside Diameter (D)
75.000
mm
(Equiv. 2.953 in.) - Length (s)
50.000
mm
+ 0.000 / - 0.390
(Equiv. 1.969 in.) - Flange OD (D1) 83.00 mm
- Flange Thickness (s1) 2.00 mm
- Material Iglidur H
Product Compliance and Data
Additional Resources
- DU Bush Material Information
- General Bushes Catalogue
- Sintered Bronze Products Catalogue
- Solid Bronze Bushes catalogue
Cross References
- Igus HFM-7075-50
- HFM707550


