
Miniature Bearings Australia
BF0120-0140-0100-PH - Datasheet
Iglidur
Category Information
Bushes - Flanged - Plastic - Iglidur HIglidur H Plastic Flanged Bushes. Underwater performance. High Temp. Chemical Resistance.
- An expanded range may be available on special order. Please enquire.
- Specific Gravity 1.64 g/cm3.
- Operating Temp 240 C short term / 200 C long term.
- Tensile Strength at 20 Deg C = 175 Mpa.
- Hardness 87 Shore D (DIN53505).
- Bushing bore tolerance shown is after a H7 press fit.
Product Data
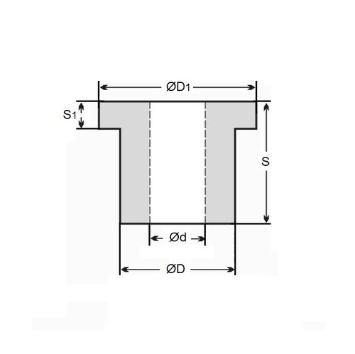
- Nominal Inside Diameter (d)
:
12.000
mm
+ 0.016 / + 0.086
(Equiv. 0.472 in.) - Nominal Outside Diameter (D)
14.000
mm
(Equiv. 0.551 in.) - Length (s)
10.000
mm
+ 0.000 / - 0.220
(Equiv. 0.394 in.) - Flange OD (D1) 20.00 mm
- Flange Thickness (s1) 1.00 mm
- Material Iglidur H
Product Compliance and Data
Additional Resources
- DU Bush Material Information
- General Bushes Catalogue
- Sintered Bronze Products Catalogue
- Solid Bronze Bushes catalogue
Cross References
- Igus HFM-1214-10
- HFM121410


