
Miniature Bearings Australia
BF0350-0390-0260-PG - Datasheet
Iglidur
Category Information
Bushes - Flanged - Plastic - Iglidur GIglidur G Plastic Flanged Bushes. General purpose maintenance free dry running.
- An expanded range may be available on special order. Please enquire.
- Specific Gravity 1.45 g/cm3.
- Operating Temp 220 C short term / 130 C long term.
- Tensile Strength at 20 Deg C = 210 Mpa.
- Hardness 81 Shore D (DIN53505).
- Bushing bore tolerance shown is after a H7 press fit.
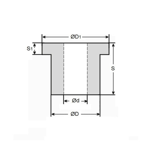
Product Data
- Nominal Inside Diameter (d)
:
35.000
mm
+ 0.050 / + 0.150
(Equiv. 1.378 in.) - Nominal Outside Diameter (D)
39.000
mm
(Equiv. 1.535 in.) - Length (s)
26.000
mm
+ 0.000 / - 0.330
(Equiv. 1.024 in.) - Flange OD (D1) 47.00 mm
- Flange Thickness (s1) 2.00 mm
- Material Iglidur G
Product Compliance and Data
Additional Resources
- DU Bush Material Information
- General Bushes Catalogue
- Sintered Bronze Products Catalogue
- Solid Bronze Bushes catalogue
Cross References
- Igus GFM-3539-26
- GFM353926


