
Miniature Bearings Australia
BF0400-0440-0400-PA29 - Datasheet
Iglidur
Category Information
Bushes - Flanged - Plastic - Iglidur A290Iglidur A290 Plastic Flanged Bushes. Food grade for low speeds and direct contact with food and pharmaceuticals.
- An expanded range may be available on special order. Please enquire.
- Specific Gravity 1.39 g/cm3.
- Operating Temp 180 C short term / 140 C long term.
- Tensile Strength at 20 Deg C = 250 Mpa.
- Hardness 88 Shore D (DIN53505).
- Bushing bore tolerance shown is after a H7 press fit.
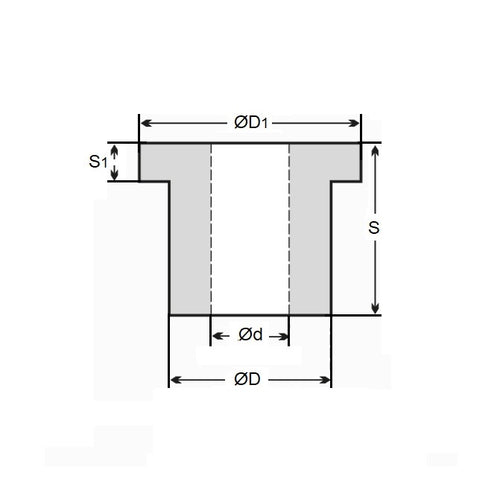
Product Data
- Nominal Inside Diameter (d)
:
40.000
mm
+ 0.080 / + 0.240
(Equiv. 1.575 in.) - Nominal Outside Diameter (D)
44.000
mm
(Equiv. 1.732 in.) - Length (s)
40.000
mm
+ 0.000 / - 0.460
(Equiv. 1.575 in.) - Flange OD (D1) 52.00 mm
- Flange Thickness (s1) 2.00 mm
- Material Iglidur A290
Product Compliance and Data
Additional Resources
- DU Bush Material Information
- General Bushes Catalogue
- Sintered Bronze Products Catalogue
- Solid Bronze Bushes catalogue
Cross References
- Igus A290FM-4044-40
- A290FM404440


