
Miniature Bearings Australia
BF0060-0120-0060-PA20 - Datasheet
Iglidur
Category Information
Bushes - Flanged - Plastic - Iglidur A200Iglidur A200 Plastic Flanged Bushes. Food grade for low speeds and direct contact with food and pharmaceuticals.
- An expanded range may be available on special order. Please enquire.
- Specific Gravity 1.14 g/cm3.
- Operating Temp 170 C short term / 80 C long term.
- Tensile Strength at 20 Deg C = 116 Mpa.
- Hardness 81 Shore D (DIN53505).
- Bushing bore tolerance shown is after a H7 press fit.
Product Data
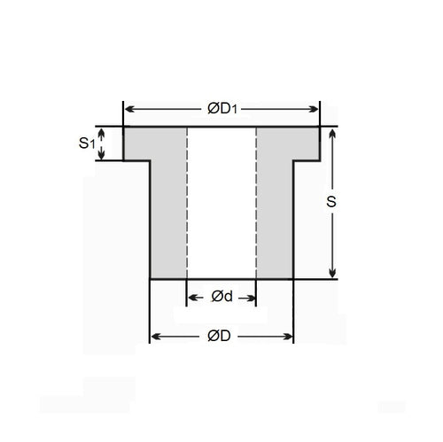
- Nominal Inside Diameter (d)
:
6.000
mm
+ 0.030 / + 0.105
(Equiv. 0.236 in.) - Nominal Outside Diameter (D)
12.000
mm
(Equiv. 0.472 in.) - Length (s)
6.000
mm
+ 0.000 / - 0.180
(Equiv. 0.236 in.) - Flange OD (D1) 14.00 mm
- Flange Thickness (s1) 3.00 mm
- Material Iglidur A200
Product Compliance and Data
Additional Resources
- DU Bush Material Information
- General Bushes Catalogue
- Sintered Bronze Products Catalogue
- Solid Bronze Bushes catalogue
Cross References
- Igus AFM-0612-06
- AFM061206


