
Miniature Bearings Australia
BF0070-0090-0046-PC2 - Datasheet
Iglidur
Category Information
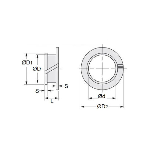
Bushes - Clip - Double FlangedDouble Flanged Clip Bushes. For use with sheet metal. Used as a light duty split bearing.
- Low clearance. Maintenance free. Economical. High Precision. High wear resistance.
- Light weight
- M250 Polymer minus 40 Deg C to 80 Deg C (minus 40 Deg F to 176 Deg F)
Product Data
- Nominal Inside Diameter (d)
:
7.000
mm
+0.040 / +0.130
(Equiv. 0.276 in.) - Nominal Outside Diameter (D)
9.000
mm
(Equiv. 0.354 in.) - Overall Length
4.600
mm
+0.000 / +0.200
(Equiv. 0.181 in.) - Large Flange Dia 13.000 mm
- Flange Width (S) 0.8 mm +0.000 / -0.100
- Small Flange Dia 9.800 mm
- Min Housing Bore 8.780 mm
- Max Housing Bore 9.000 mm
- Min Shaft Size 6.975 mm
- Max Shaft Size 7.000 mm
- Sheet Metal Thickness 2.45 to 2.92
- Material Plastic
Product Compliance and Data
Additional Resources
- DU Bush Material Information
- General Bushes Catalogue
- Sintered Bronze Products Catalogue
- Solid Bronze Bushes catalogue
Cross References
- S99GMCM0709846


