
Miniature Bearings Australia
BF0160-0176-0036-PC2 - Datasheet
Iglidur
Category Information
Bushes - Clip - Double FlangedDouble Flanged Clip Bushes. For use with sheet metal. Used as a light duty split bearing.
- Low clearance. Maintenance free. Economical. High Precision. High wear resistance.
- Light weight
- M250 Polymer minus 40 Deg C to 80 Deg C (minus 40 Deg F to 176 Deg F)
Product Data
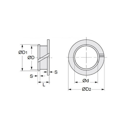
- Nominal Inside Diameter (d)
:
16.000
mm
+0.050 / +0.160
(Equiv. 0.63 in.) - Nominal Outside Diameter (D)
17.600
mm
(Equiv. 0.693 in.) - Overall Length
3.600
mm
+0.000 / +0.200
(Equiv. 0.142 in.) - Large Flange Dia 21.000 mm
- Flange Width (S) 0.8 mm +0.000 / -0.100
- Small Flange Dia 18.400 mm
- Min Housing Bore 17.330 mm
- Max Housing Bore 17.600 mm
- Min Shaft Size 15.975 mm
- Max Shaft Size 16.000 mm
- Sheet Metal Thickness 1.45 to 1.92
- Material Plastic
Product Compliance and Data
Additional Resources
- DU Bush Material Information
- General Bushes Catalogue
- Sintered Bronze Products Catalogue
- Solid Bronze Bushes catalogue
Cross References
- S99GMCM1618436


