
Miniature Bearings Australia
CC-090-100-C - Datasheet
MBA
Category Information
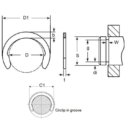
Retaining Rings - CrescentCrescent Retaining Rings. Variation of an E-Clip with an open face. Also known as a C-Clip.
- Narrow section height provides good clearance capabilities.
- Absence of teeth and deep set mean less thrust load ratings than e-clips.
- For best results install using the recommended applicator tool.
Product Data
- Groove Diameter (G)
:
9.00
mm
(Equiv. 0.354 in.) - Shaft Diameter (S)
10.00
mm
(Equiv. 0.394 in.) - Thickness (t)
0.9
mm
(Equiv. 0.035 in.) - Clip OD in groove (C1) 12.40 mm
- Clip OD Loose (D1) 12.00 mm
- Groove Width (W) 0.95
- Material Carbon Spring Steel Self Finish
Product Compliance and Data
Additional Resources
Cross References
- NoCor DC-010
- M18000100APP
- M1800-0100APP
- DC010


