
Miniature Bearings Australia
WRE-0950-LS - Datasheet
MBA
Category Information
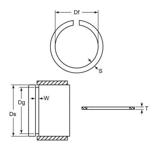
Retaining Rings - External - Snap Rings - Carbon SteelCarbon Steel Snap Rings External Retaining Rings. Includes series M3200 / SP / ESP / M2400 / SW snaprings. Similar to a circlip without the lugs.
- An expanded range may be available on special order. Please enquire.
- Carbon sping steel
- Used on the outside diameter of a bearing, shaft or similar equipment
Product Data
- Shaft or Bearing OD (d1)
:
95.00
mm
(Equiv. 3.74 in.) - Clip Thickness (T)
2.50
mm
+ 0 / - 0.10
(Equiv. 0.098 in.) - Groove Dia. (Dg)
93.00
mm
+ 0 / - 0.22
(Equiv. 3.661 in.) - Approx. Loose Circlip ID (A) 92.00 mm
- Radial Wall (S) Approx. 3.40 mm + 0 / - 0.10
- Groove Width (W) 2.70 mm
- Approx. Loose Clip OD 98.8
- Section Profile Rectangular with Square Edge
- Material Carbon Spring Steel
Product Compliance and Data
Additional Resources
Cross References
- NoCor DSW-095
- Seeger SW95
- Seeger SW95A501-PAS
- DSW095
- SW95A501PAS
- WRE0950SQ


