
Miniature Bearings Australia
DJK-090 - Datasheet
MBA
Category Information
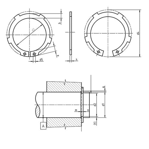
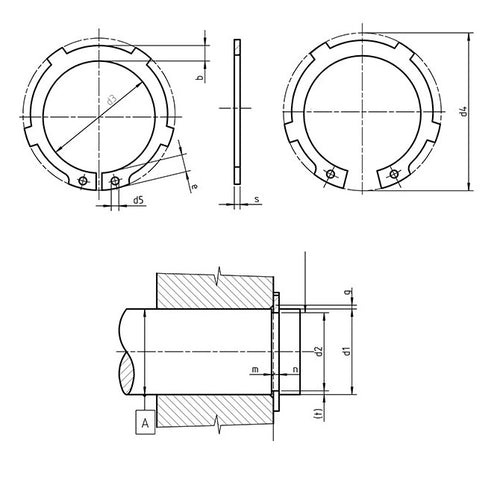
Retaining Rings - Internal - Circlips - TabbedTabbed Circlips Internal Retaining Rings. DIN984 / D2000 / Seeger JK. Retaining rings. Snap Rings (USA).
- An expanded range may be available on special order. Please enquire.
- Internal tabs are concentrically positioned for a concealed assembly.
- Tabs act as spacers for securing machine components.
Product Data
- Housing Bore (B)
:
90.00
mm
(Equiv. 3.543 in.) - Clip Thickness (T)
3.00
mm
+ 0.00 / - 0.30
(Equiv. 0.118 in.) - Groove Dia. (Dg)
93.80
mm
+ 0.00 / - 0.08
(Equiv. 3.693 in.) - Approx. Loose Circlip OD (Dr) 95.04 mm
- Radial Wall (S) Approx. 7.70 mm
- Groove Width (W) 3.15 mm
- Tool PRS-I032
- Material Carbon Steel
Product Compliance and Data
Additional Resources
Cross References
- Smalley DJK-090
- Seeger JK90-S
- Seeger JK90X3
- ExaktKey JKM0900
- NoCor JKM0900
- Seeger JKM0900
- Springmaster JKM0900
- XOSpring JKM0900
- Seeger JL090
- 2000-090
- 2000090
- DJK090
- JK90S
- D2000090
- D2000-090


