
Miniature Bearings Australia
PLIT-100-191C-74-LKP-S3 - Datasheet
MBA
Category Information
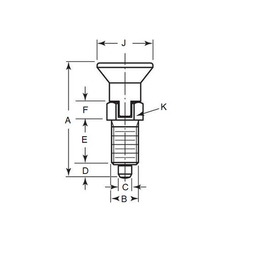
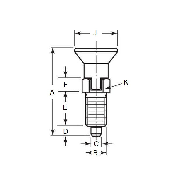
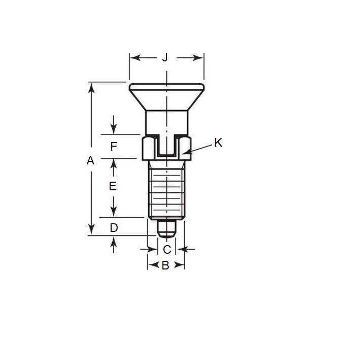
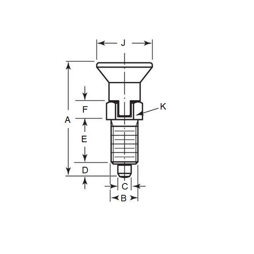
Plungers - Indexing Pull Knob - Stainless and Plastic - With Locking SlotWith Locking Slot Stainless and Plastic Indexing Pull Knob Plungers. With thermoplastic knob
Product Data
- Thread (B) : 3/4-10 UNC (19.05mm)
- Overall Length (A)
74.0
mm
(Equiv. 2.913 in.) - Initial End Force 6.8 N
- Final End Force 18.1 N
- Tip Diameter (C) 10.0 mm
- Tip Length (D) 10.0 mm
- Hex Height (F) 12.0 mm
- Knob Diameter (J) 33.0 mm
- Hex Size (K) 22.0
- Material Stainless Steel 303 (Similar to A2, 304, 18-8)
Product Compliance and Data
Additional Resources
Cross References
- KBP-547
- KBP547


