
Miniature Bearings Australia
CC-100-111-SS - Datasheet
MBA
Category Information
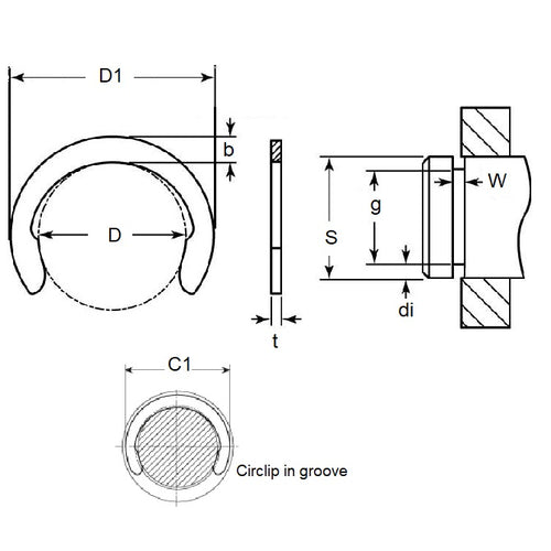
Retaining Rings - CrescentCrescent Retaining Rings. Variation of an E-Clip with an open face. Also known as a C-Clip.
- Narrow section height provides good clearance capabilities.
- Absence of teeth and deep set mean less thrust load ratings than e-clips.
- For best results install using the recommended applicator tool.
Product Data
- Groove Diameter (G)
:
9.98
mm
(Equiv. 0.393 in.) - Shaft Diameter (S)
11.13
mm
(Equiv. 0.438 in.) - Thickness (t)
0.64
mm
(Equiv. 0.025 in.) - Clip OD in groove (C1) 13.46 mm
- Clip OD Loose (D1) 13.13 mm
- Groove Width (W) 0.74
- Material Stainless Steel Grade PH15-7-17
Product Compliance and Data
Additional Resources
Cross References
- Military 16632-043-SS/B
- Military 16632-043-SS-B
- Waldes 5103-043-SS/B
- Waldes 5103-043-SS-B
- Ellison 9103-043-SS/B
- Ellison 9103-043-SS-B
- NoCor C-043-SS/B
- Rotor Clip C-043-SS/B
- NoCor C-043-SS-B
- Rotor Clip C-043-SS-B
- N1800043SS/B
- N1800-043-SS/B
- N1800043SSB
- N1800-043-SS-B
- 16632043SSB
- 16632043SS/B
- 9103043SSB
- 9103043SS/B
- 5103043SSB
- 5103043SS/B
- C043SSB
- C043SS/B


