
Miniature Bearings Australia
CC-100-111-CZ - Datasheet
MBA
Category Information
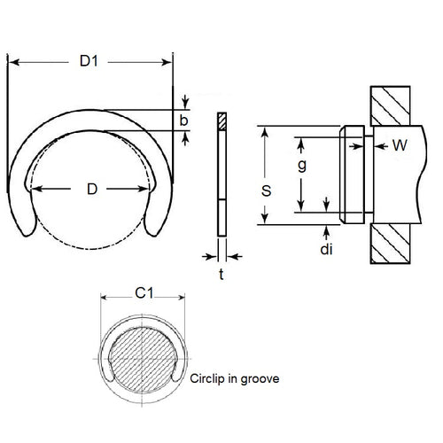
Retaining Rings - CrescentCrescent Retaining Rings. Variation of an E-Clip with an open face. Also known as a C-Clip.
- Narrow section height provides good clearance capabilities.
- Absence of teeth and deep set mean less thrust load ratings than e-clips.
- For best results install using the recommended applicator tool.
Product Data
- Groove Diameter (G)
:
9.98
mm
(Equiv. 0.393 in.) - Shaft Diameter (S)
11.13
mm
(Equiv. 0.438 in.) - Thickness (t)
0.64
mm
(Equiv. 0.025 in.) - Clip OD in groove (C1) 13.46 mm
- Clip OD Loose (D1) 13.13 mm
- Groove Width (W) 0.74
- Material Carbon Spring Steel Zinc Plated
Product Compliance and Data
Additional Resources
Cross References
- Military 16632-043-ZD/B
- Military 16632-043-ZD-B
- Waldes 5103-043-ZD/B
- Waldes 5103-043-ZD-B
- Ellison 9103-043-ZD/B
- Ellison 9103-043-ZD-B
- NoCor C-043-ZD/B
- Rotor Clip C-043-ZD/B
- NoCor C-043-ZD-B
- Rotor Clip C-043-ZD-B
- N1800043ZDB
- N1800-043-ZD-B
- N1800-043-ZD/B
- N1800043ZD/B
- 16632043ZDB
- 16632043ZD/B
- 9103043ZD/B
- 9103043ZDB
- 5103043ZD/B
- 5103043ZDB
- C043ZD/B
- C043ZDB


