Miniature Bearings Australia - MBA Minibearings
Miniature Bearings Australia

CC-100-111-C - Datasheet

MBA

Category Information

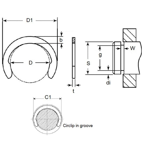
Retaining Rings - Crescent

Crescent Retaining Rings. Variation of an E-Clip with an open face. Also known as a C-Clip.

  • Narrow section height provides good clearance capabilities.
  • Absence of teeth and deep set mean less thrust load ratings than e-clips.
  • For best results install using the recommended applicator tool.

Product Data

  • Groove Diameter (G) : 9.98 mm
    (Equiv. 0.393 in.)
  • Shaft Diameter (S) 11.13 mm
    (Equiv. 0.438 in.)
  • Thickness (t) 0.64 mm
    (Equiv. 0.025 in.)
  • Clip OD in groove (C1) 13.46 mm
  • Clip OD Loose (D1) 13.13 mm
  • Groove Width (W) 0.74
  • Material Carbon Spring Steel Self Finish
Country of Origin: US

Product Compliance and Data

Additional Resources

    Cross References

    • Military 16632-043
    • Military 16632-043/B
    • Military 16632-043-B
    • Waldes 5103-043
    • Waldes 5103-043/B
    • Waldes 5103-043-B
    • Ellison 9103-043
    • Ellison 9103-043/B
    • Ellison 9103-043-B
    • NoCor C-043
    • Rotor Clip C-043
    • NoCor C-043/B
    • Rotor Clip C-043/B
    • NoCor C-043-B
    • Rotor Clip C-043-B
    • N18000043APP
    • N1800-0043APP
    • N1800043
    • N1800-043
    • N1800043/B
    • N1800-043/B
    • N1800043B
    • N1800-043-B
    • 16632043B
    • 16632043/B
    • 9103043
    • 9103043B
    • 9103043/B
    • 5103043
    • 5103043/B
    • 5103043B
    • C043/B
    • C043B
    View full details