
Miniature Bearings Australia
WST-45RS - Datasheet
MBA
Category Information
Pins - Side Thrust - Single Sided - Steel BallSteel Ball Single Sided Side Thrust Pins. For holding, clamping and positioning work pieces. Body is black oxide steel.
- Spring-loaded component used for clamping, positioning, and holding workpieces in machinery and fixtures.
- Space-saving, simple alternative to more complex clamping methods and are designed to press against a part to secure it.
- Often used for tasks like locating components during machining, in jigs and fixtures, or for holding flat items like circuit boards.
- Steel ball and elasticised spring with black oxide coated steel body
Product Data
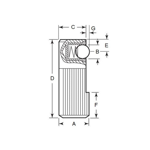
- Knurled Diameter (A)
:
9.906
mm
(Equiv. 0.39 in.) - Ball Diameter (B)
5.588
mm
(Equiv. 0.22 in.) - End Diameter (C)
9.144
mm
(Equiv. 0.36 in.) - D 29.972 mm
- E 7.112 mm
- F 7.874 mm
- G 1.016 mm
- Initial Load Rating 5.10 Kg
- Final Load Rating 16.32 Kg
- Material Steel Ball
Product Compliance and Data
Additional Resources
View full details


