
Miniature Bearings Australia
RPO-099-101-C - Datasheet
MBA
Category Information
Retaining Rings - Push On - Carbon SteelCarbon Steel Push On Retaining Rings. M1465 / DTX / Seeger ZA and KS.
- An expanded range may be available on special order. Please enquire.
- Thrust load shown is calculated for ideal conditions with mild steel shaft.
- If no thrust load is shown, testing is suggested.
Product Data
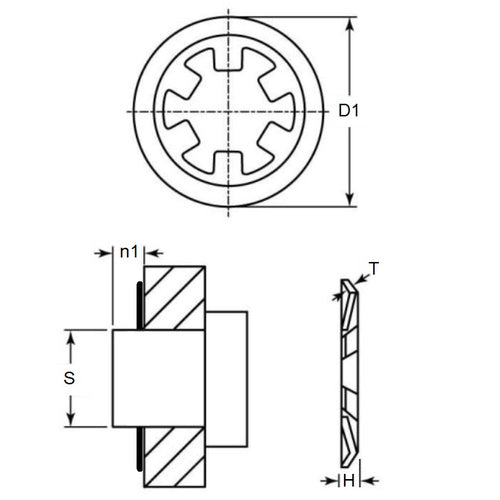
- Min shaft size (s1)
:
9.88
mm
(Equiv. 0.389 in.) - Max Shaft Size (s2)
10.12
mm
(Equiv. 0.398 in.) - Outside diameter (D1)
16.00
mm
(Equiv. 0.63 in.) - Min shaft extension (n1) 2.40 mm
- Height (H) Max. 1.20 mm
- Material Thickness (t) 0.30 mm
- Approx. Thrust Load 34 kg
- Material Carbon Steel
Product Compliance and Data
Additional Resources
Cross References
- NoCor DTX-010
- DTX010
- M1465-0100
- M1465-0100APP
- M14650100
- M14650100APP


