
Miniature Bearings Australia
RPO-095-096HD-SP15 - Datasheet
MBA
Category Information
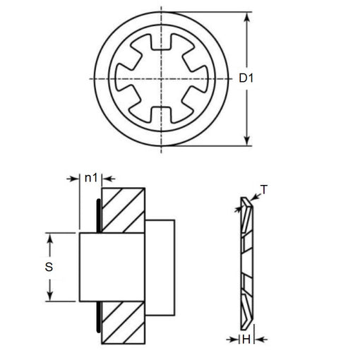
Retaining Rings - Push On - Stainless SteelStainless Steel Push On Retaining Rings. Rotor Clip TY. Stainless Steel hardness HR15N 82.5-86
- An expanded range may be available on special order. Please enquire.
- PH 15-7/17-7 Stainless Steel and 1.4310 Stainless Steel
Product Data
- Min shaft size (s1)
:
9.50
mm
(Equiv. 0.374 in.) - Max Shaft Size (s2)
9.55
mm
(Equiv. 0.376 in.) - Outside diameter (D1)
18.40
mm
(Equiv. 0.724 in.) - Height (H) Max. 1.90 mm
- Material Thickness (t) 0.30 mm
- Material Stainless Steel Grade PH15-7-17
Product Compliance and Data
Additional Resources
Cross References
- ExaktKey S6020
- NoCor S6020
- Springmaster S6020
- Starlock S6020
- XOSpring S6020


