
Miniature Bearings Australia
RPO-095-096-C - Datasheet
MBA
Category Information
Retaining Rings - Push On - Carbon SteelCarbon Steel Push On Retaining Rings. M1465 / DTX / Seeger ZA and KS.
- An expanded range may be available on special order. Please enquire.
- Thrust load shown is calculated for ideal conditions with mild steel shaft.
- If no thrust load is shown, testing is suggested.
Product Data
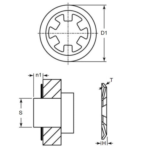
- Min shaft size (s1)
:
9.50
mm
(Equiv. 0.374 in.) - Max Shaft Size (s2)
9.55
mm
(Equiv. 0.376 in.) - Outside diameter (D1)
14.61
mm
(Equiv. 0.575 in.) - Min shaft extension (n1) 1.02 mm
- Material Thickness (t) 0.25 mm
- Material Carbon Steel
Product Compliance and Data
Additional Resources
Cross References
- Waldes 5105-037
- IRR 6100-037
- Small Parts RSE-6
- NoCor TY-037
- Rotor Clip TY-037
- TY037
- RSE6
- 6100037
- 5105037


