
Miniature Bearings Australia
PLSP-095-200-C-031 - Datasheet
MBA
Category Information
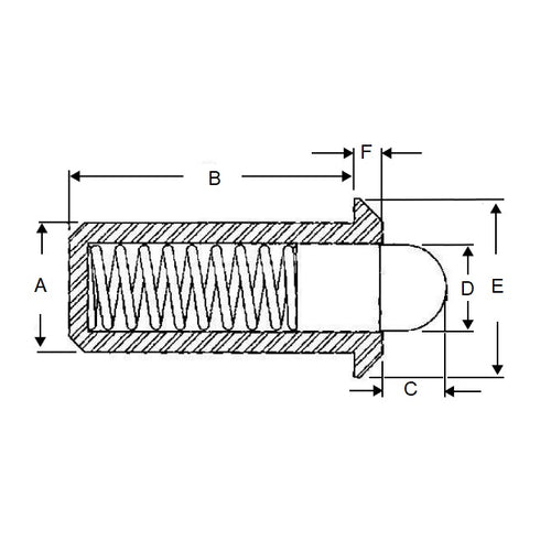
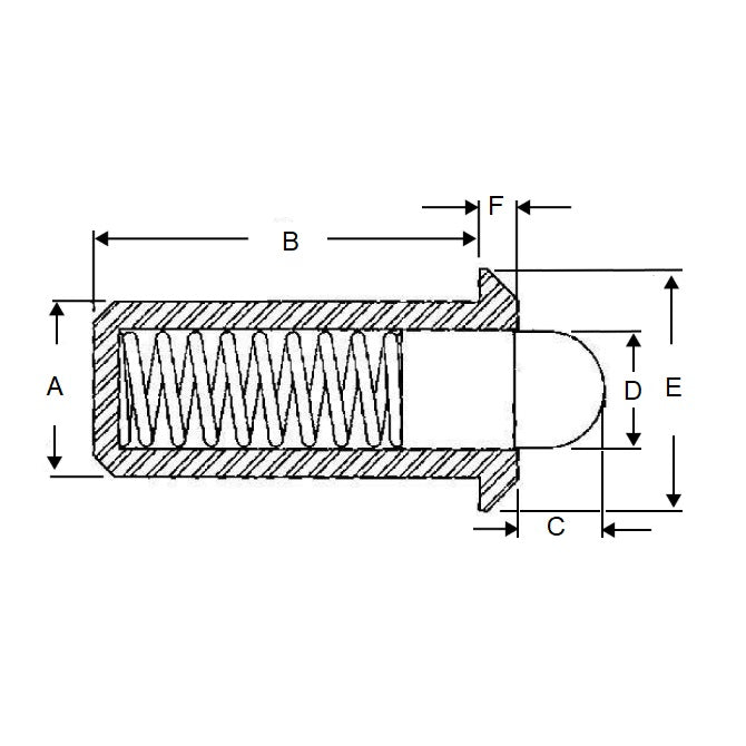
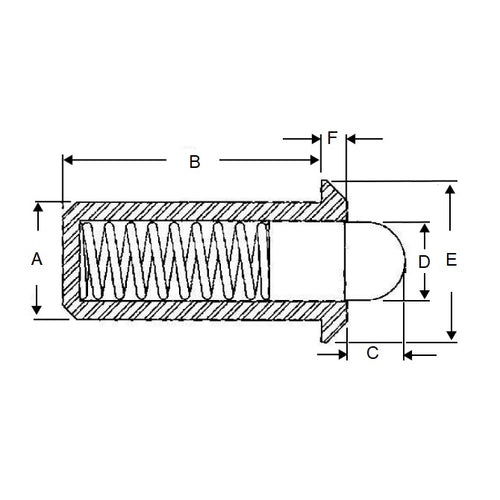
Plungers - Spring Push Fit - Steel - Steel NoseSteel Nose Steel Spring Push Fit Plungers. Steel body and steel nose
Product Data
- Body Diameter (A)
:
9.53
mm
+ 0.1 / - 0.0
(Equiv. 0.375 in.) - Body Length (B)
20.0
mm
(Equiv. 0.787 in.) - Initial Pressure (F1) 11.1 N
- Final Pressure (F2) 31.1 N
- Tip Diameter (D1) 5.9 mm
- Tip Length (C) 4.8 mm
- Drive Push Fit
- Material Steel
Product Compliance and Data
Additional Resources
Cross References
- 8683A13
- PFP57
- PFP-57


