
Miniature Bearings Australia
BF0095-0159-0318-BS2232TT - Datasheet
MBA
Category Information
Bushes - Flanged - Bronze - SinteredSintered Bronze Flanged Bushes. Oil impregnated flanged sintered bronze bushes.
- An expanded range may be available on special order. Please enquire.
- Precision items show an allowable Load Speed Rating in Newtons times RPM.
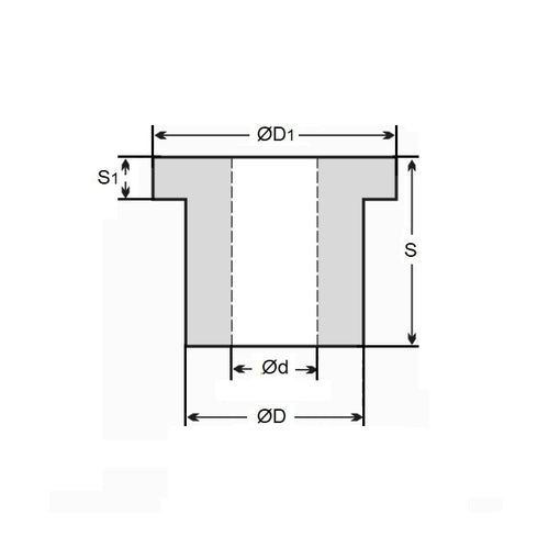
Product Data
- Nominal Inside Diameter (d)
:
9.525
mm
+ 0.025 / + 0.051
(Equiv. 0.375 in.) - Nominal Outside Diameter (D)
15.875
mm
+ 0.025 / + 0.051
(Equiv. 0.625 in.) - Length (s)
31.750
mm
+/- 0.127
(Equiv. 1.25 in.) - Flange OD (D1) 22.23 mm
- Flange Thickness (S1) 3.18 mm
- Material Bronze SAE 841 Sintered
Product Compliance and Data
Additional Resources
- DU Bush Material Information
- General Bushes Catalogue
- Sintered Bronze Products Catalogue
- Solid Bronze Bushes catalogue
Cross References
- Boston FB-610-10
- Oilite FB610-10
- BF009501590318BS
- BF009501590318BS2232
- FB61010
- A7B4-SF122010
- A7B4SF122010


