
Miniature Bearings Australia
REF-095-R-CN - Datasheet
MBA
Category Information
Rod Ends - Female - Steel - Plain - Nylon RacewayNylon Raceway Plain Steel Female Rod Ends. Also known as Heim Joints
- An expanded range may be available on special order. Please enquire.
Product Data
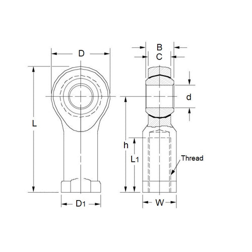
- Eye Size (d1)
:
9.525
mm
(Equiv. 0.375 in.) - Overall Length (L)
53.98
mm
(Equiv. 2.125 in.) - Thread Size 3/8-24 UNF Right
- Thread Length (l2) 23.80 mm
- Head Width (W) 10.31 mm
- Eye Width (W1) 12.70 mm
- Head Diameter (D) 25.40 mm
- Centre Height (l1) 41.28 mm
- Body Width/Flange Width(W2/D3) 14.28 / 17.45 mm
- Material Steel with Nylon Raceway
Product Compliance and Data
Additional Resources
Cross References
- Small Parts REJF-6
- REJF6
- SPF-6
- SPF6


