
Miniature Bearings Australia
PB1-375-B - Datasheet
MBA
Category Information
Housings - Pillow Block Self Aligning - Sintered BronzeSintered Bronze Pillow Block Self Aligning Housings. Spyraflo robust light weight aluminium housing with porous sintered bronze
- This category will be discontinued when the remaining items are sold.
- All items are priced to quit.
- Backorders or orders for previously listed items in the category will only be available for very large orders.
- See links at bottom of web page for more information
- +/- 5% Static Alignment
- Sintered aluminium housing
- Corrosion Resistant
- Light weight
Product Data
Deleted Item. Available while stocks last.
Please contact us first if you wish to use this item in a new design so we can check whether production can be resumed.
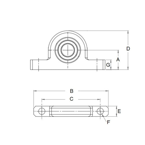
- Nominal Shaft Size
:
9.525
mm
(Equiv. 0.375 in.) - Max. Radial Dynamic Load 979 N
- Material Sintered Bronze SAE840
- Min to Max Shaft Dia. 9.545 to 9.565 mm
- Max Speed 10180 RPM
- A 14.22 mm
- B 57.15 mm
- C 44.45 mm
- D 28.70 mm
- Material Sintered Bronze SAE 840
Product Compliance and Data
Additional Resources
Cross References
- 5912K3


