
Miniature Bearings Australia
REF-095-L-CC - Datasheet
MBA
Category Information
Rod Ends - Female - Steel - Plain - StampedStamped Plain Steel Female Rod Ends. Economy stamped style combines high strength with low cost. Also known as Heim Joints
- An expanded range may be available on special order. Please enquire.
- Made from low carbon steel and plated for corrosion resistance.
- Ball is case hardened.
Product Data
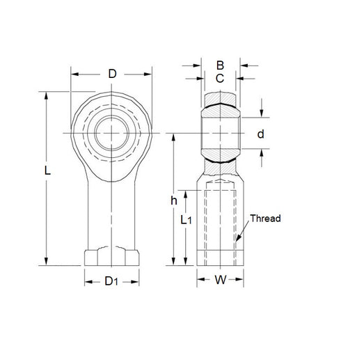
- Eye Size (d1)
:
9.525
mm
(Equiv. 0.375 in.) - Overall Length (L)
55.55
mm
(Equiv. 2.187 in.) - Thread Size 3/8-24 UNF Left
- Thread Length (l2) 22.23 mm
- Head Width (W) 10.16 mm
- Eye Width (W1) 12.70 mm
- Head Diameter (D) 28.58 mm
- Centre Height (l1) 41.28 mm
- Body Width/Flange Width(W2/D3) 12.70 / 18.42 mm
- Material Steel Stamped
Product Compliance and Data
Additional Resources
Cross References
- ARE240
- ARE-240


