
Miniature Bearings Australia
FSB-375 - Datasheet
MBA
Category Information
Bearings - Self Clinching - Self Aligning - Sintered BronzeSintered Bronze Self Aligning Self Clinching Bearings. Spyraflo sintered bronze bearing in a special self-clinching steel housing. Refer technical sheets linked at bottom of tables.
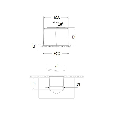
- A self-clinching bearing is a type of bearing that is designed to be installed directly into a panel or housing without the need for additional fasteners or hardware.
- These bearings are often used in sheet metal or thin-walled structures where it may be challenging to use traditional fastening methods.
- Self-clinching bearings have features that allow them to be securely mounted in place by applying pressure, eliminating the need for welding, adhesives, or external fasteners. All items are priced to quit.
- See links at bottom of web page for more information
- +/- 5% Static Alignment
- See animation link at bottom of web page
- Panel material no harder than RB65/RB75
- Panel hole to be punched or machined to size A (+0.07/-0.00mm)
Product Data
Deleted Item. Available while stocks last.
Please contact us first if you wish to use this item in a new design so we can check whether production can be resumed.
- Nominal Shaft Size
:
9.525
mm
(Equiv. 0.375 in.) - Min. Panel Hole (A)
15.88
mm
(Equiv. 0.625 in.) - Min to Max Shaft Dia. 9.545 to 9.563 mm
- Max Speed 10180 RPM
- Min. Panel Thickness (B) 1.52 mm
- Min. Distance To Edge 11.43 mm
- Flange Diameter (C) 17.02 mm
- Max. Radial Dynamic Load 1423 N
Product Compliance and Data
Additional Resources
- Catalogue: Ceramic Bearings Catalogue
- Catalogue: Plastic Bearings Catalogue
- Catalogue: Standard Bearings Catalogue
- General: Bearing Cleanliness
- General: Bearing Clearances
- General: Bearing Flanges & Snap Rings
- General: Bearing Retainers (Cages)
- General: General Loads Information
- General: Lubrication
- General: Prefix & Suffix Guide
- General: Static vs Dynamic Loads
- Materials: 316 Stainless
- Materials: CASSTOP Anti-Corrosion Bearing Material
- Materials: Ceramic vs Ceramic Hybrid
- Materials: Ceramic Bearings in Vibratory Applications
- Materials: Ceramic Hybrid Bearings in Vibratory Applications
- Materials: General Bearing Materials
- Materials: Magnetism & Bearings
- Precision: 316 Stainless & Plastic Bearing Tolerances
- Precision: ABEC Basic Information
- Precision: Precision Bearing Tolerances
- Problem Solving: Bearing Failure
- Problem Solving: Fatigue (L10 Life)
- Problem Solving: Noise


