
Miniature Bearings Australia
RPO-094-096-C - Datasheet
MBA
Category Information
Retaining Rings - Push On - Carbon SteelCarbon Steel Push On Retaining Rings. M1465 / DTX / Seeger ZA and KS.
- An expanded range may be available on special order. Please enquire.
- Thrust load shown is calculated for ideal conditions with mild steel shaft.
- If no thrust load is shown, testing is suggested.
Product Data
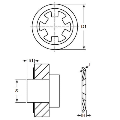
- Min shaft size (s1)
:
9.42
mm
(Equiv. 0.371 in.) - Max Shaft Size (s2)
9.63
mm
(Equiv. 0.379 in.) - Outside diameter (D1)
16.38
mm
(Equiv. 0.645 in.) - Min shaft extension (n1) 1.88 mm
- Height (H) Max. 0.94 mm
- Material Thickness (t) 0.25 mm
- Approx. Thrust Load 20 kg
- Material Carbon Steel
Product Compliance and Data
Additional Resources
Cross References
- Waldes 5115-037
- 98430A134
- NoCor TX-037
- Rotor Clip TX-037
- N1465-0037
- N14650037
- N1465037
- N1465-037
- TX037
- 5115037


