
Miniature Bearings Australia
CC-093-103-C - Datasheet
MBA
Category Information
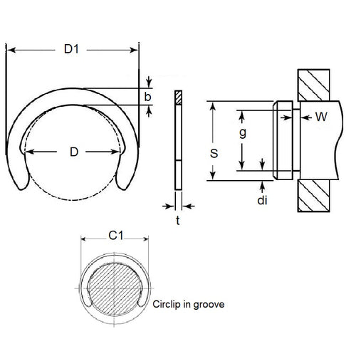
Retaining Rings - CrescentCrescent Retaining Rings. Variation of an E-Clip with an open face. Also known as a C-Clip.
- Narrow section height provides good clearance capabilities.
- Absence of teeth and deep set mean less thrust load ratings than e-clips.
- For best results install using the recommended applicator tool.
Product Data
- Groove Diameter (G)
:
9.25
mm
(Equiv. 0.364 in.) - Shaft Diameter (S)
10.31
mm
(Equiv. 0.406 in.) - Thickness (t)
0.64
mm
(Equiv. 0.025 in.) - Clip OD in groove (C1) 12.70 mm
- Clip OD Loose (D1) 12.34 mm
- Groove Width (W) 0.74
- Material Carbon Spring Steel Self Finish
Product Compliance and Data
Additional Resources
Cross References
- Military 16632-040
- Military 16632-040/B
- Military 16632-040-B
- Waldes 5103-040
- Waldes 5103-040/B
- Waldes 5103-040-B
- Ellison 9103-040
- Ellison 9103-040/B
- Ellison 9103-040-B
- NoCor C-040
- Rotor Clip C-040
- NoCor C-040/B
- Rotor Clip C-040/B
- NoCor C-040-B
- Rotor Clip C-040-B
- N1800040B
- N1800-040-B
- N1800-0040APP
- N1800040/B
- N1800-040/B
- N18000040APP
- 16632040B
- 16632040/B
- 9103040B
- 9103040/B
- 5103040B
- 5103040/B
- C040B
- C040/B


