
Miniature Bearings Australia
PLIT-080-160-150-77-LKP-S3F - Datasheet
MBA
Category Information
Plungers - Indexing Pull Knob - Stainless - With Locking SlotWith Locking Slot Stainless Indexing Pull Knob Plungers. This is the main category in this series
Product Data
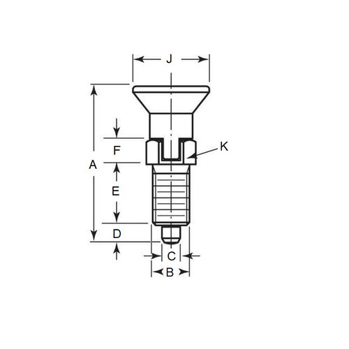
- Thread (B) : M16 Extra Fine (16x1.5mm)
- Overall Length (A)
77.0
mm
(Equiv. 3.031 in.) - Initial End Force 6.8 N
- Final End Force 15.9 N
- Tip Diameter (C) 8.0 mm
- Tip Length (D) 8.0 mm
- Hex Height (F) 10.0 mm
- Knob Diameter (J) 33.0 mm
- Hex Size (K) 19.0
- Material Stainless Steel 303 (Similar to A2, 304, 18-8)
Product Compliance and Data
Additional Resources
Cross References
- KBP593
- KBP-593


